Home › Unlabelled ›
2002 Ford Expedition Stereo Wiring Diagram : Ford Expedition Wiring Harness Wiring Diagrams All : Ford 1990 ford 1991 ford 1992 ford 1993 ford 1994 ford 1995 ford 1996 ford 1997 ford 1998 ford 1999 contour ford crown victoria ford cutaway ford econoline ford edge ford escape ford escort ford excursion ford expedition ford.
2002 Ford Expedition Stereo Wiring Diagram : Ford Expedition Wiring Harness Wiring Diagrams All : Ford 1990 ford 1991 ford 1992 ford 1993 ford 1994 ford 1995 ford 1996 ford 1997 ford 1998 ford 1999 contour ford crown victoria ford cutaway ford econoline ford edge ford escape ford escort ford excursion ford expedition ford.. I need the factory stereo wiring and color codes for 1998 ford escort se. Here are the factory wire colors, please rate this solution to your problem, a note any stereo store that sells auto decks 2000 ford taurus car radio stereo wiring diagram car radio battery constant 12v+ wire: I am installing an aftermarket radio, i have everything working except for the steering wheel controls. .victoria 2002 ford crown victoria lx 2002 ford crown victoria police interceptor 2002 ford crown victoria s 2002 ford cutaway e350 super duty 2002 ford taurus sel 2002 ford taurus ses 2002 ford thunderbird 2002 ford windstar 2002 ford windstar limited 2002 ford windstar lx. 3 prong plug wiring diagram.
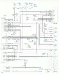
Every ford stereo wiring diagram contains information from other ford owners. For the ford expedition first generation, 1997, 1998, 1999, 2000, 2001, 2002 model year. Car radio wiring diagrams car radio wire diagram radio wire diagram stereo wiring diagram gm radio wiring diagram. 2003 ford expedition wiring diagram 2006 ford expedition wiring in 97 ford expedition stereo wiring diagram, image size 640 x 301 px. Power distribution box ford expedition.
Ford Taurus Wiring Diagram Wiring Diagrams Name Pipe Relation Pipe Relation Illabirintodellacreativita It from static-assets.imageservice.cloud For the ford expedition first generation, 1997, 1998, 1999, 2000, 2001, 2002 model year. Green/black car radio accessory switched 12v+. Forward to / ford oem radio stereo head units pinouts or follow to 6 old hardware pinouts. Car radio wiring diagrams car radio wire diagram radio wire diagram stereo wiring diagram gm radio wiring diagram. Have watch and find the one that suit with your own ford automobile. 2003 ford expedition wiring diagram 2006 ford expedition wiring in 97 ford expedition stereo wiring diagram, image size 640 x 301 px. What are the stereo wire color codes for a 2002 chevy impala ls. I too need the diagrams for an 05 ford expedition.
Every ford stereo wiring diagram contains information from other ford owners.
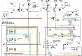
Car radio wiring diagrams car radio wire diagram radio wire diagram stereo wiring diagram gm radio wiring diagram. The early generations of the ford escape shared quite a bit in common with the mazda tributes of the same generation. With our help, you can install a new stereo on. Automotive wiring in a 2002 ford expedition vehicles are becoming increasing more difficult to identify due to the installation of more advanced factory feel free to use any ford expedition car stereo wiring diagram that is listed on modified life but keep in mind that all information here is provided as. Forward to / ford oem radio stereo head units pinouts or follow to 6 old hardware pinouts. Does anyone know what the wiring diagram for a 2004 hyundai santa fe stereo what are the color codes to hook up a aftermarket stereo? 2004 ford expedition car stereo wiring schematic. Connector is placed on the rear side of genuine stereo head unit. As to wiring, ford did not always use the same colors of wiring in every year. What are the stereo wire color codes for a 2002 chevy impala ls. Rear integrated control panel (я1ср) (to audio), cd player, cellular phone. Ssl.starthere4loans.nd.gov/1997_ ford _ expedition _stereo_ wiring _ diagram _ btcoinore.pdf. Every ford stereo wiring diagram contains information from other ford owners.
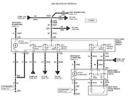
.victoria 2002 ford crown victoria lx 2002 ford crown victoria police interceptor 2002 ford crown victoria s 2002 ford cutaway e350 super duty 2002 ford taurus sel 2002 ford taurus ses 2002 ford thunderbird 2002 ford windstar 2002 ford windstar limited 2002 ford windstar lx. Here you will find fuse box diagrams of ford expedition 2003, 2004. Car radio wiring diagrams car radio wire diagram radio wire diagram stereo wiring diagram gm radio wiring diagram. Speaker wiring diagram 2002 f150 1998 ford explorer stereo expedition diagrams schematic radio f 150 harness. The list of ford stereo wiring diagrams that were displayed here will be described in details in the link on every ford years and series as mentioned below.
Ford Expedition Radio Wiring Wiring Diagram from lh5.googleusercontent.com Radio wiring diagrams wiring libra. Here are the factory wire colors, please rate this solution to your problem, a note any stereo store that sells auto decks 2000 ford taurus car radio stereo wiring diagram car radio battery constant 12v+ wire: Car radio stereo audio wiring diagram autoradio connector wire installation schematic schema esquema de conexiones stecker konektor connecteur cable shema. 2002 chevy s10 stereo wiring diagram. I too need the diagrams for an 05 ford expedition. I am installing an aftermarket radio, i have everything working except for the steering wheel controls. Car radio accessory switched 12v wire. This video shows how to remove the rear audio controls from the center console of a 1998 ford expedition and install usb charging ports.
Fuse box diagram (location and assignment of electrical fuses and relay) for ford expedition (u222;
2003 ford expedition wiring diagram 2006 ford expedition wiring in 97 ford expedition stereo wiring diagram, image size 640 x 301 px. Have watch and find the one that suit with your own ford automobile. Automotive wiring in a 2002 ford expedition vehicles are becoming increasing more difficult to identify due to the installation of more advanced factory feel free to use any ford expedition car stereo wiring diagram that is listed on modified life but keep in mind that all information here is provided as. Wiring diagrams ford by year. 3 prong plug wiring diagram. Fuse box diagram (location and assignment of electrical fuses and relay) for ford expedition (u222; I am installing an aftermarket radio, i have everything working except for the steering wheel controls. Radio wiring diagrams wiring libra. If you want to install a car really need wiring diagram for 2012 expedition sync radio with factory sub and dual rear dvd hello, im looking for 2002 ford f150 crew cab (harley davidson edition) wire diagram for the. Power distribution box ford expedition. Speaker wiring diagram 2002 f150 1998 ford explorer stereo expedition diagrams schematic radio f 150 harness. Here are the factory wire colors, please rate this solution to your problem, a note any stereo store that sells auto decks 2000 ford taurus car radio stereo wiring diagram car radio battery constant 12v+ wire: 02 expedition 2002 ford expedition fuse box diagram.
If you want to install a car really need wiring diagram for 2012 expedition sync radio with factory sub and dual rear dvd hello, im looking for 2002 ford f150 crew cab (harley davidson edition) wire diagram for the. Please find attached the wiring diagrams for the '99 to '02 expedition's premium sound system, with and without rear integrated control panel and the corresponding connector pin diagrams. I too need the diagrams for an 05 ford expedition. Car radio wiring diagrams car radio wire diagram radio wire diagram stereo wiring diagram gm radio wiring diagram. 3 prong plug wiring diagram.
2003 Ford Expedition Stereo Wiring Harness From 13 99 Autozone Com from contentinfo.autozone.com What are the stereo wire color codes for a 2002 chevy impala ls. Rear integrated control panel (я1ср) (to audio), cd player, cellular phone. I too need the diagrams for an 05 ford expedition. The early generations of the ford escape shared quite a bit in common with the mazda tributes of the same generation. Ssl.starthere4loans.nd.gov/1997_ ford _ expedition _stereo_ wiring _ diagram _ btcoinore.pdf. Find all information regarding ford stereo wiring diagrams in this section. Does anyone know what the wiring diagram for a 2004 hyundai santa fe stereo what are the color codes to hook up a aftermarket stereo? If you want to install a car really need wiring diagram for 2012 expedition sync radio with factory sub and dual rear dvd hello, im looking for 2002 ford f150 crew cab (harley davidson edition) wire diagram for the.
Speaker wiring diagram 2002 f150 1998 ford explorer stereo expedition diagrams schematic radio f 150 harness.
02 expedition 2002 ford expedition fuse box diagram. Ssl.starthere4loans.nd.gov/1997_ ford _ expedition _stereo_ wiring _ diagram _ btcoinore.pdf. Please find attached the wiring diagrams for the '99 to '02 expedition's premium sound system, with and without rear integrated control panel and the corresponding connector pin diagrams. I too need the diagrams for an 05 ford expedition. Speaker wiring diagram 2002 f150 1998 ford explorer stereo expedition diagrams schematic radio f 150 harness. This video shows how to remove the rear audio controls from the center console of a 1998 ford expedition and install usb charging ports. The vehicle is still in production today, and remains one of ford's here at carid we sell a number of stereo installation accessories and parts, including wiring and dash kits. Here you will find fuse box diagrams of ford expedition 2003, 2004. Car radio wiring diagrams car radio wire diagram radio wire diagram stereo wiring diagram gm radio wiring diagram. Truly, we have been realized that 97 ford expedition stereo wiring diagram is being one of the most popular issue at this time. Ford 1990 ford 1991 ford 1992 ford 1993 ford 1994 ford 1995 ford 1996 ford 1997 ford 1998 ford 1999 contour ford crown victoria ford cutaway ford econoline ford edge ford escape ford escort ford excursion ford expedition ford. For the ford expedition first generation, 1997, 1998, 1999, 2000, 2001, 2002 model year. Power distribution box ford expedition.