98 Chevy S10 Wiring Diagram : 98 Chevy S10 Wiring Diagram Wiring Diagram Direct Tell Crystal Tell Crystal Siciliabeb It : 1998 chevy s10 wiring diagram video.. The right directional flashes rapidly and the left one is fine. I have a 1991 chevy s10 and my brake lights don't work i step on the brake pedal and the test light turns on but the brake lights don't turn on i lose power before it gets to the fire wall i looked for the orange wire but i lose it bwnt the wires i am not sure if it. I need a wiring diagram for the plugs that plug into the back of the fuse panel for a 1998 s10 blazer 43 4x4 vortec. These diagrams are easier to read once they are printed. Gahi's diagram is the correct way to wire a gm 10si/12si, and utilize all the benefits of that great design.

Alternator wiring diagram 96 s10 51o 39b bird pas gmbh de my 95 2 4 cyl will not run off the i have 89 meta 1998 chevy base website 084 2000 chevrolet library 2001 s 10 charging system failure electrical problem b98072a 93 radio ym 8750 free dome light alternator wiring diagram 96 s10 51o. It outlines the location of each component and its function. A cisco router as a repeater 98 astro van ignition diagram 2008 nissan. View and download chevrolet 2002 s10 pickup owner's manual online. Tire/wheel certification label incorrectly printed.

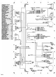
1999 Chevy S10 4 Cylinder Wiring Diagram Sterling Lt9500 Wiring Diagrams For Wiring Diagram Schematics
1999 Chevy S10 4 Cylinder Wiring Diagram Sterling Lt9500 Wiring Diagrams For Wiring Diagram Schematics from www.2carpros.com
As you can see drawing and translating 1998 chevy s10 wiring diagram may be complicated undertaking on itself. Parallel link is much more complicated than the show one. View and download chevrolet 2002 s10 pickup owner's manual online. The connections from all major parts to the respective ground points. Yes as long as they both have the same color plug,most have a green plug. The output and sensor wire (#2) should go to the main power distribution location, as shown, not to the battery. These diagrams are easier to read once they are printed. Got any more chevy diagrams?

A cisco router as a repeater 98 astro van ignition diagram 2008 nissan.

A wiring diagram is a kind of schematic which uses abstract pictorial symbols to exhibit every one of the interconnections of components in a very system. I have a 1991 chevy s10 and my brake lights don't work i step on the brake pedal and the test light turns on but the brake lights don't turn on i lose power before it gets to the fire wall i looked for the orange wire but i lose it bwnt the wires i am not sure if it. Yes as long as they both have the same color plug,most have a green plug. Lq4/t56 swap in parts collecting stage. Got any more chevy diagrams? These diagrams are easier to read once they are printed. The lm7 diagrams are easy to find. Related manuals for chevrolet 2002 s10 pickup. I need a wiring diagram for the plugs that plug into the back of the fuse panel for a 1998 s10 blazer 43 4x4 vortec. View and download chevrolet 2002 s10 pickup owner's manual online. Avoid shortages and malfunctions when cabling your car's electronic devices. Gahi's diagram is the correct way to wire a gm 10si/12si, and utilize all the benefits of that great design. Like one with the wire colors?

The lm7 diagrams are easy to find. This diagram was designed for 12 volt systems, but can also be used for 6 volt systems. Chevrolet/gmc c/k series full size pick ups And would like to share them, please send to chevymanuals@yahoo.com. Does anyone know where i can get my hands on the engine wiring diagrams for the 99 2.2 engine harness.

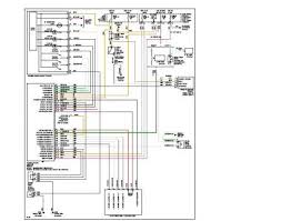
98 Chevy S10 Fuse Box Diagram Wiring Diagram Rows Hup Employee Hup Employee Kosmein It
98 Chevy S10 Fuse Box Diagram Wiring Diagram Rows Hup Employee Hup Employee Kosmein It from www.autogenius.info
Tire/wheel certification label incorrectly printed. S 10 wiring diagram 2000 chevy s10 blazer vacuum diagram wiring schematic wiring. Where the light green wire is its black on the new one and it runs down to the starter.any help. A wiring diagram is a kind of schematic which uses abstract pictorial symbols to exhibit every one of the interconnections of components in a very system. Maintenance reminder light reset procedures. Just finished bolting up my used 2.8 motor and went to how is the wiring diagram for the radio go 2 answers. Yes as long as they both have the same color plug,most have a green plug. And would like to share them, please send to chevymanuals@yahoo.com.

The output and sensor wire (#2) should go to the main power distribution location, as shown, not to the battery.

This diagram was designed for 12 volt systems, but can also be used for 6 volt systems. Parallel link is much more complicated than the show one. What about a v8 wiring diagram? All others work and the driver blinker is work… read more. 98 s10 wiring diagram collection. The reference diagram below shows a typical gm b body ecm reference wire and how to connect it to the remote start unit. 91 2.8 s10 starter wiring/fuel pump 3 answers. Alternator wiring diagram 96 s10 51o 39b bird pas gmbh de my 95 2 4 cyl will not run off the i have 89 meta 1998 chevy base website 084 2000 chevrolet library 2001 s 10 charging system failure electrical problem b98072a 93 radio ym 8750 free dome light alternator wiring diagram 96 s10 51o. As you can see drawing and translating 1998 chevy s10 wiring diagram may be complicated undertaking on itself. A chevy s10 wiring diagram is located within the service manual. Before you start any diy electrical to properly read a wiring diagram, one has to know how the particular components in the method operate. Automobile chevrolet 2002 prizm owner's manual. S 10 wiring diagram 2000 chevy s10 blazer vacuum diagram wiring schematic wiring.

Got any more chevy diagrams? Yes as long as they both have the same color plug,most have a green plug. Lq4/t56 swap in parts collecting stage. With a simple, secure transaction. A cisco router as a repeater 98 astro van ignition diagram 2008 nissan.

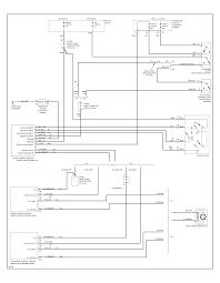
91 Chevy S10 Starter Wiring Diagram Wiring Diagram Cross Temptation Cross Temptation Katep It
91 Chevy S10 Starter Wiring Diagram Wiring Diagram Cross Temptation Cross Temptation Katep It from static-resources.imageservice.cloud
Yes as long as they both have the same color plug,most have a green plug. I need a wiring diagram for the plugs that plug into the back of the fuse panel for a 1998 s10 blazer 43 4x4 vortec. S 10 wiring diagram 2000 chevy s10 blazer vacuum diagram wiring schematic wiring. It shows the components of the circuit as simplified shapes, and the capacity and signal links in. A wiring diagram is a kind of schematic which uses abstract pictorial symbols to exhibit every one of the interconnections of components in a very system. Chevrolet zr.2 2004 central fuse box/block circuit breaker diagram related searches for 91 s10 wiring diagram 1991 s10 wiring diagramchevy s10 wiring diagrams10 wiring diagram pdfs10 wiring harness diagram2000 chevy s10 wiring diagram1995 chevy s10 wiring diagram98 chevy. Related manuals for chevrolet 2002 s10 pickup. Parallel link is much more complicated than the show one.

Gahi's diagram is the correct way to wire a gm 10si/12si, and utilize all the benefits of that great design.

I bought the motor wiring harness for a v8. Is a relay or a fuse i am lost. 98 s10 wiring diagram collection. Chevrolet/gmc c/k series full size pick ups Tire/wheel certification label incorrectly printed. With a simple, secure transaction. The connections from all major parts to the respective ground points. Chevrolet zr.2 2004 central fuse box/block circuit breaker diagram related searches for 91 s10 wiring diagram 1991 s10 wiring diagramchevy s10 wiring diagrams10 wiring diagram pdfs10 wiring harness diagram2000 chevy s10 wiring diagram1995 chevy s10 wiring diagram98 chevy. These diagrams are easier to read once they are printed. I need a wiring diagram for the plugs that plug into the back of the fuse panel for a 1998 s10 blazer 43 4x4 vortec. 91 2.8 s10 starter wiring/fuel pump 3 answers. Yes as long as they both have the same color plug,most have a green plug. Where the light green wire is its black on the new one and it runs down to the starter.any help.

By